Project Description
Stainless Steel Windows – Transaction Frame
Description
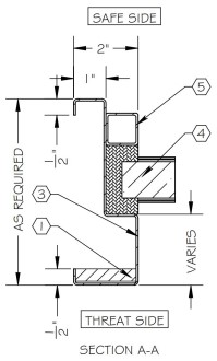
Bullet Resistant Stainless Steel Window Frames are designed for “non-ricochet type” intended to permit capture and retention of attacking projectile, lessening potential of random injury or lateral penetration. Framing system uses cold rolled steel prime painted or stainless steel cut, broken and welded to size which include armor to meet protection level required. Interior screw applied stops, making glazing installation easy for variety of glazing types and thickness to provide security level needed. Transaction windows can come with natural voice which allows voice transmission around glazing through the frame or NO natural voice to include electronic or passive speakers. Transaction windows are also available with a laminate, stainless steel counters or can be made to install on existing counters.
SKU: WI-TW-HM-NV
Key Stats
| Ballistic Level (UL) | 1 to 10 |
| Height | 6″ to 96″ |
| Width | 6″ to 96″ |
| Application | Interior |
| Available Sizes | 60″ x 96″ Max. | 96″ x 60″ Max. |
| Finish | Primed | Stainless Steel |
| Glazing | Glass/Polycarbonate Composite | Glass-clad Polycarbonate | Multi-ply Polycarbonate | Acrylic Polycarbonate Composite |
| Options | Countertop |
| Primary Material | Steel | Stainless Steel |






