Project Description
Bullet Resistant Hollow Metal Door and Frame Assembly – Full Lite
Description
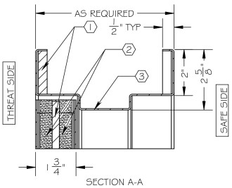
Bullet Resistant Hollow Metal door and frame assemblies are designed of “non-ricochet type” intended to permit capture and retention of attacking projectile, lessening potential of random injury or lateral penetration. Frame uses cold rolled steel prime painted steel which is cut then broken and welded to size. Frames includes armor installed in 2″ face to meet ballistic protection level. Door uses cold rolled steel prime painted steel skins with channel supported edges with ballistic armor and foam insulation inserted to meet ballistic protection level required. Assembly leaves factory swinging on frame using heavy duty clear anodized aluminum continuous gear hinge prepped for cylinder, mortise lockset or exit device.
Key Stats
| Ballistic Level (UL) | 1 to 10 |
| Height | 84″ | 80″ to 108″ |
| Thickness | 1 3/4 ” | 2″ |
| Width | 36″ | 32″ to 48″ |
| Application | Interior |
| Core Material(s) | Fiberglass Armor |
| Finish | Primed |
| Frame Primary Material | 16 Ga. Steel | 14 Ga. Steel (Upon Request) | 12 Ga. Steel (Upon Request) |
| Glazing | Glass/Polycarbonate Composite | Glass-clad Polycarbonate | Multi-ply Polycarbonate | Acrylic Polycarbonate Composite |
| Hardware Included | Clear Anodized Aluminum Continuous Gear Hinge | Prepped for Cylinder, Mortise Lockset, or Exit Device |
| Operation | Swing |
| Primary Material | Steel |






